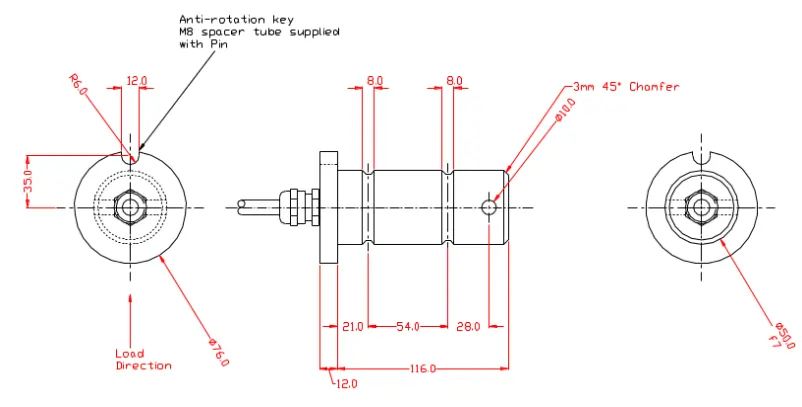
The AWS LTD Wireless Telemetry Load Pin is a strain gauged pin with a local battery powered wireless transceiver which communicates with our AWS Wireless Telemetry Load Measurement System. With simple to change extra-long life batteries, and a large range of load capacities, it is ideal for applications in systems where running cables to a load pin is not possible. The transceiver can be mounted within 3m of the Load Pin, in an easy to access location for battery changing.
The Load Pin can also be purchased without the Telemetry module if required.
Specifications subject to change without notice.

| Capacities | 2-1000 tonnes |
|---|---|
| Radio Frequency | 2.4 GHz |
| Accuracy (above 10% of FSD) | ±0.05% of reading |
| Compensated Temperature Range | -10 to +40°C |
| Operating Temperature Range | -20 to +60°C |
| Temperature Coefficient on Zero | <0.005% FRO/°C |
| Temperature Coefficient on Span | <0.003% FRO/°C |
| Safe Overload | 150% |
